Product Summary
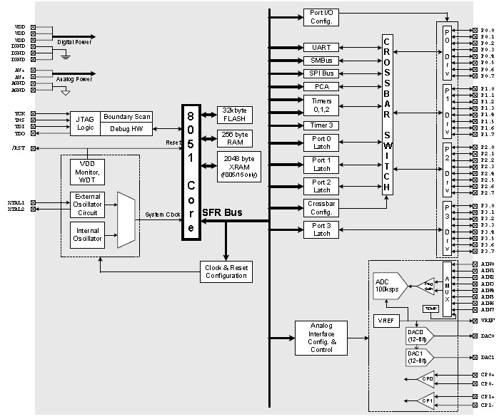
The C8051F005-GQR is fully integrated mixed-signal System on a Chip MCU with a true 12-bit multi-channel ADC (F000/01/02/05/06/07), or a true 10-bit multi-channel ADC (F010/11/12/15/16/17). See the Product Selection for a quick reference of each MCUs feature set. The C8051F005-GQR has a programmable gain pre-amplifier, two 12-bit DACs, two voltage comparators (except for the F002/07/12/17, which have one), a voltage reference, and an 8051-compatible microcontroller core with 32kbytes of FLASH memory.
Parametrics
C8051F005-GQR (1)Ambient temperature under bias: -55 to 125° C; (2)Storage Temperature: -65 to 150° C; (3)Voltage on any Pin (except VDD and Port I/O) with respect to DGND: -0.3V to (VDD + 0.3V); (4)Voltage on any Port I/O Pin or /RST with respect to DGND: -0.3V to 5.8V; (5)Voltage on VDD with respect to DGND: -0.3V to 4.2V; (6)Maximum Total current through VDD, AV+, DGND and AGND: 800mA; (7)Maximum output current sunk by any Port pin: 100mA; (8)Maximum output current sunk by any other I/O pin: 25mA; (9)Maximum output current sourced by any Port pin: 100mA; (10)Maximum output current sourced by any other I/O pin: 25mA.
Features
C8051F005-GQR features: (1)On-chip debug circuitry facilitates full-speed, nonintrusive in-circuit/in-system debugging; (2)Provides breakpoints, single-stepping, watchpoints, stack monitor; inspect/modify memory and registers; (3)Pipelined Instruction Architecture; Executes 70% of Instruction Set in 1 or 2 System Clocks; (4)Programmable 16-bit Counter/Timer Array with 6 Capture/Compare Modules.
Diagrams

| Image | Part No | Mfg | Description | ![]() |
Pricing (USD) |
Quantity | ||||||||||||
|---|---|---|---|---|---|---|---|---|---|---|---|---|---|---|---|---|---|---|
![]() |
![]() C8051F005-GQR |
![]() Silicon Labs |
![]() 8-bit Microcontrollers (MCU) 32KB 12ADC 64Pin MCU Tape and Reel |
![]() Data Sheet |
![]()
|
|
||||||||||||
| Image | Part No | Mfg | Description | ![]() |
Pricing (USD) |
Quantity | ||||||||||||
![]() |
![]() C805 |
![]() Chemtronics |
![]() Chemicals HAND GUARD LOTION SF 8 FL OZ LIQUID |
![]() Data Sheet |
![]()
|
|
||||||||||||
![]() |
![]() C8051F000 |
![]() Silicon Labs |
![]() 8-bit Microcontrollers (MCU) 32KB 12ADC |
![]() Data Sheet |
![]() Negotiable |
|
||||||||||||
![]() |
![]() C8051F000-GQ |
![]() Silicon Labs |
![]() 8-bit Microcontrollers (MCU) 32KB 12ADC |
![]() Data Sheet |
![]()
|
|
||||||||||||
![]() |
![]() C8051F000-GQR |
![]() Silicon Labs |
![]() 8-bit Microcontrollers (MCU) 32KB 12ADC 64Pin MCU Tape and Reel |
![]() Data Sheet |
![]()
|
|
||||||||||||
![]() |
![]() C8051F000R |
![]() Silicon Labs |
![]() 8-bit Microcontrollers (MCU) C 12Bit 64Pin |
![]() Data Sheet |
![]() Negotiable |
|
||||||||||||
![]() |
![]() C8051F000TB |
![]() Silicon Labs |
![]() Development Boards & Kits - 8051 USE 634-C8051F005TB |
![]() Data Sheet |
![]() Negotiable |
|
||||||||||||
(Hong Kong)










