Product Summary
The TLP161J(U,C,F) is a TOSHIBA Photocoupler. The TLP161J(U,C,F) is suitable for surface mount assembly. The TLP161J(U,C,F) consists of a photo triac, optically coupled to a gallium arsenide infrared emitting diode.
Parametrics
TLP161J(U,C,F) absolute maximum ratings: (1)LED Forward current IF: 50mA; (2)LED Forward current derating (Ta≥53℃)△IF/℃: -0.7mA/℃; (3)LED Peak forward current (100μs pulse, 100 pps) IFP: 1A; (4)LED Reverse voltage VR: 5V; (5)LED Junction temperature Tj: 125℃; (6)DetectorOff-state output terminal voltage VDRM: 600V; (7)Detector On-state RMS current Ta = 25℃: 70mA, Ta = 70℃: 40mA; (8)Detector On-state current derating (Ta≥25℃) △IT/℃: -0.67mA/℃; (9)Detector Peak on-state current (100μs pulse, 120 pps) ITP: 2A; (10)Detector Peak nonrepetitive surge current (PW = 10ms, DC = 10%) ITSM: 1.2A; (11)Detector Junction temperature Tj: 115℃; (12)Storage temperature range Tstg: -55℃ to 125℃; (13)Operating temperature range Topr: -40℃ to 100℃; (14)Lead soldering temperature (10 s) Tsol: 260℃; (15)Isolation voltage (AC, 1 min., R.H. ≤60%) BVS: 2500Vrms.
Features
TLP161J(U,C,F) features: (1)Zero-voltage crossing turn-on; (2)Peak off-state voltage: 600V (min); (3)Trigger LED current: 10mA (max); (4)On-state current: 70mA (max); (5)Isolation voltage: 2500Vrms (min); (6)UL recognized: UL1577, file No. E67349.
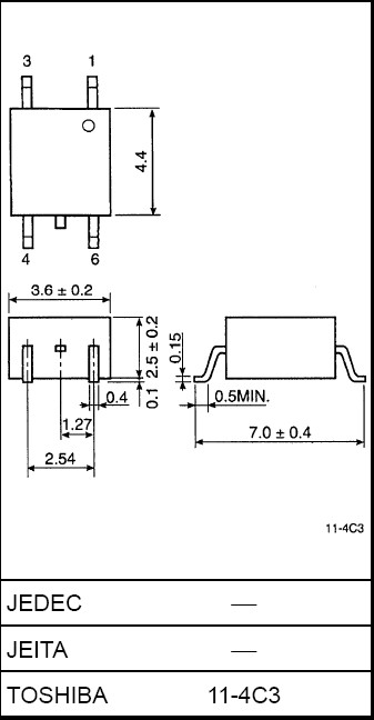
Diagrams

| Image | Part No | Mfg | Description | ![]() |
Pricing (USD) |
Quantity | ||||||||||||
|---|---|---|---|---|---|---|---|---|---|---|---|---|---|---|---|---|---|---|
![]() |
![]() TLP161J(U,C,F) |
![]() Toshiba |
![]() Triac & SCR Output Optocouplers 600Vdrm 2500Vrms Non-0volt turn-on |
![]() Data Sheet |
![]()
|
|
||||||||||||
| Image | Part No | Mfg | Description | ![]() |
Pricing (USD) |
Quantity | ||||||||||||
![]() |
![]() TLP1000A |
![]() Other |
![]() |
![]() Data Sheet |
![]() Negotiable |
|
||||||||||||
![]() |
![]() TLP1002A |
![]() Other |
![]() |
![]() Data Sheet |
![]() Negotiable |
|
||||||||||||
![]() |
![]() TLP1002A. |
![]() Other |
![]() |
![]() Data Sheet |
![]() Negotiable |
|
||||||||||||
![]() |
![]() TLP1004A(F) |
![]() Other |
![]() |
![]() Data Sheet |
![]() Negotiable |
|
||||||||||||
![]() |
![]() TLP1005A(F) |
![]() Other |
![]() |
![]() Data Sheet |
![]() Negotiable |
|
||||||||||||
![]() |
![]() TLP1006A |
![]() Other |
![]() |
![]() Data Sheet |
![]() Negotiable |
|
||||||||||||
(Hong Kong)










