Product Summary
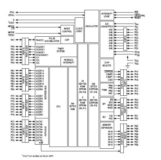
The MC68HC711K4CFN3 is an 8-Bit Microcontroller. The MC68HC711K4CFN3, with a non-multiplexed expanded bus, is characterized by high speed and low power consumption. Its fully static design allows operation at frequencies from 4 MHz to dc.
Parametrics
MC68HC711K4CFN3 absolute maximum ratings: (1)Package: 84-Pin PLCC; (2)Temperature: –40℃ to + 85℃; (3)CONFIG: $DF; (4) Description: OTPROM; (5) Frequency: 3MHz.
Features
MC68HC711K4CFN3 features: (1)M68HC11 CPU; (2)Power Saving STOP and WAIT Modes; (3)768 Bytes RAM (All Saved During Standby); (4)24 Kbytes ROM or EPROM; (5)640 Bytes Electrically Erasable Programmable Read Only Memory (EEPROM); (6)Optional Security Feature Protects Memory Contents; (7)On-Chip Memory Mapping Logic Allows Expansion to Over 1Mbyte of Address Space; (8)PROG Mode Allows Use of Standard EPROM Programmer (27C256 Footprint); (9)Non-multiplexed Address and Data Buses; (10)Four Programmable Chip Selects with Clock Stretching (Expanded Modes); (11)Enhanced 16-Bit Timer with Four-Stage Programmable Prescaler; (12)Three Input Capture (IC) Channels; (13)Four Output Compare (OC) Channels; (14)One Additional Channel, Selectable as Fourth IC or Fifth OC; (15)8-Bit Pulse Accumulator; (16)Four 8-Bit or Two 16-Bit Pulse Width Modulation (PWM) Timer Channels; (17)Real-Time Interrupt Circuit; (18)Computer Operating Properly (COP) Watchdog; (19)Clock Monitor; (20)Enhanced Asynchronous Non-return to Zero (NRZ) Serial communications Interface (SCI); (21)Enhanced Synchronous Serial Peripheral Interface (SPI); (22)Eight-Channel 8-Bit Analog-to-Digital (A/D) Converter; (23)Seven Bidirectional Input/Output (I/O) Ports (54 Pins); (24)One Fixed Input-Only Port (8 Pins); (25)Available in 84-Pin Plastic Leaded Chip Carrier (PLCC), 84-Pin Windowed Ceramic Leaded Chip Carrier (CLCC), and 80-Pin Quad Flat Pack (QFP).
Diagrams

![]() |
![]() MC6800 |
![]() Other |
![]() |
![]() Data Sheet |
![]() Negotiable |
|
||||
![]() |
![]() MC6801 |
![]() Other |
![]() |
![]() Data Sheet |
![]() Negotiable |
|
||||
![]() |
![]() MC68020 |
![]() Other |
![]() |
![]() Data Sheet |
![]() Negotiable |
|
||||
![]() |
![]() MC68020CEH16E |
![]() Freescale Semiconductor |
![]() Microprocessors (MPU) 32-BIT MPU |
![]() Data Sheet |
![]() Negotiable |
|
||||
![]() |
![]() MC68020CEH25E |
![]() Freescale Semiconductor |
![]() Microprocessors (MPU) 32-BIT MPU |
![]() Data Sheet |
![]() Negotiable |
|
||||
![]() |
![]() MC68020CRC16E |
![]() Freescale Semiconductor |
![]() Microprocessors (MPU) 32-BIT MPU |
![]() Data Sheet |
![]() Negotiable |
|
||||
(Hong Kong)









