Product Summary
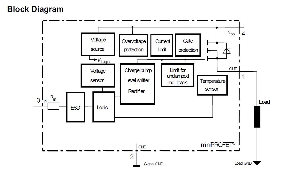
The BTS4141N is a smart high-side power switch. It is an N channel vertical power with charge pump, ground referenced CMOS compatible input. It is monolithically integrated in Smart SIPMOS technology. Providing embedded protective functions. The applications of the BTS4141N are: All types of resistive, inductive and capacitive loads; μC compatible power switch for 12 V and 24 V DC applications; Replaces electromechanical relays and discrete circuits.
Parametrics
BTS4141N absolute maximum ratings: (1)Supply voltage Vbb -0,31): 48 V; (2)Continuous input voltage2) VIN: -10Vbb; (3)Load current: IL self limited A; (4)Current through input pin (DC) IIN: ±5 mA; (5)Reverse current through GND-pin3) -IGND: -0.5 A; (6)Operating temperature Tj: internal limited ℃; (7)Storage temperature Tstg: -55 to +150℃; (8)Power dissipation Ptot: 1.4 W.
Features
BTS4141N features: (1)Short circuit protection; (2)Current limitation; (3)Overload protection; (4)Overvoltage protection (including load dump); (5)Undervoltage shutdown with autorestart and hysteresis; (6)Switching inductive loads; (7)Clamp of negative voltage at output with inductive loads; (8)CMOS compatible input; (9)Thermal shutdown with restart.
Diagrams

| Image | Part No | Mfg | Description | ![]() |
Pricing (USD) |
Quantity | ||||||||||||||
|---|---|---|---|---|---|---|---|---|---|---|---|---|---|---|---|---|---|---|---|---|
![]() |
![]() BTS4141N |
![]() Infineon Technologies |
![]() Power Switch ICs - Power Distribution Smart High Side MINI-PROFET |
![]() Data Sheet |
![]()
|
|
||||||||||||||
| Image | Part No | Mfg | Description | ![]() |
Pricing (USD) |
Quantity | ||||||||||||||
![]() |
![]() BTS409L1 |
![]() |
![]() SWITCH SMART HIGH SIDE TO-220 |
![]() Data Sheet |
![]() Negotiable |
|
||||||||||||||
![]() |
![]() BTS409L1 E3043 |
![]() |
![]() IC HIGH SIDE PWR SWITCH TO220-5 |
![]() Data Sheet |
![]() Negotiable |
|
||||||||||||||
![]() |
![]() BTS409L1 E3062A |
![]() Infineon Technologies |
![]() Power Switch ICs - Power Distribution PROFET SMART HI SIDE PWR SW |
![]() Data Sheet |
![]()
|
|
||||||||||||||
![]() |
![]() BTS409L1-E3062A |
![]() |
![]() SMART HIGHSIDE SWITCH TO-220AB/5 |
![]() Data Sheet |
![]() Negotiable |
|
||||||||||||||
![]() |
![]() BTS410D2 |
![]() Other |
![]() |
![]() Data Sheet |
![]() Negotiable |
|
||||||||||||||
![]() BTS410E2 |
![]() Infineon Technologies |
![]() Power Switch ICs - Power Distribution PROFET SMART HI SIDE PWR SW |
![]() Data Sheet |
![]()
|
|
|||||||||||||||
(Hong Kong)












