Product Summary
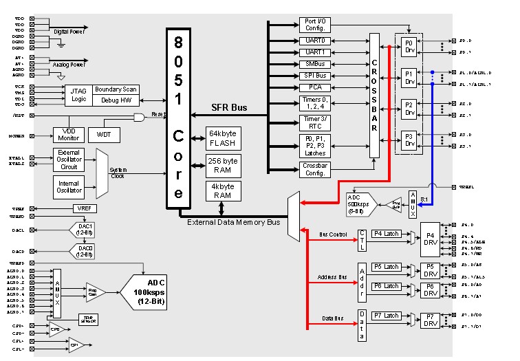
The C8051F007-GQR is fully integrated mixed-signal System on a Chip MCUs with a true 12-bit multi-channel ADC , or a true 10-bit multi-channel ADC. See the Product Selection Guide in Table 1.1 for a quick reference of each MCUs’ feature set. The C8051F007-GQR has a programmable gain pre-amplifier, two 12-bit DACs, two voltage comparators , a voltage reference, and an 8051-compatible microcontroller core with 32kbytes of FLASH memory.
Parametrics
C8051F007-GQR absolute maximum ratings: (1)Ambient temperature under bias: -55 to 125° C; (2)Storage Temperature: -65 to 150° C; (3)Voltage on any Pin (except VDD and Port I/O) with respect to DGND: -0.3V to (VDD + 0.3V); (4)Voltage on any Port I/O Pin or /RST with respect to DGND: -0.3V to 5.8V; (5)Voltage on VDD with respect to DGND: -0.3V to 4.2V; (6)Maximum Total current through VDD, AV+, DGND and AGND: 800mA; (7)Maximum output current sunk by any Port pin: 100mA; (8)Maximum output current sunk by any other I/O pin: 25mA; (9)Maximum output current sourced by any Port pin: 100mA; (10)Maximum output current sourced by any other I/O pin: 25mA.
Features
C8051F007-GQR features: (1)High-Speed pipelined 8051-compatible CIP-51 microcontroller core (up to 25 MIPS); (2)In-system, full-speed, non-intrusive debug interface (on-chip); (3)True 12-bit (C8051F020/1) or 10-bit (C8051F022/3) 100 ksps 8-channel ADC with PGA and analog multiplexer; (4)True 8-bit ADC 500 ksps 8-channel ADC with PGA and analog multiplexer; (5)Two 12-bit DACs with programmable update scheduling; (6)64k bytes of in-system programmable FLASH memory; (7)4352 (4096 + 256) bytes of on-chip RAM; (8)External Data Memory Interface with 64k byte address space; (9)SPI, SMBus/I2C, and (2) UART serial interfaces implemented in hardware; (10)Five general purpose 16-bit Timers; (11)Programmable Counter/Timer Array with five capture/compare modules; (12)On-chip Watchdog Timer, VDD Monitor, and Temperature Sensor.
Diagrams

| Image | Part No | Mfg | Description | ![]() |
Pricing (USD) |
Quantity | ||||||||||||
|---|---|---|---|---|---|---|---|---|---|---|---|---|---|---|---|---|---|---|
![]() |
![]() C8051F007-GQR |
![]() Silicon Labs |
![]() 8-bit Microcontrollers (MCU) 32KB 12ADC 32Pin MCU Tape and Reel |
![]() Data Sheet |
![]()
|
|
||||||||||||
| Image | Part No | Mfg | Description | ![]() |
Pricing (USD) |
Quantity | ||||||||||||
![]() |
![]() C805 |
![]() Chemtronics |
![]() Chemicals HAND GUARD LOTION SF 8 FL OZ LIQUID |
![]() Data Sheet |
![]()
|
|
||||||||||||
![]() |
![]() C8051F000 |
![]() Silicon Labs |
![]() 8-bit Microcontrollers (MCU) 32KB 12ADC |
![]() Data Sheet |
![]() Negotiable |
|
||||||||||||
![]() |
![]() C8051F000-GQ |
![]() Silicon Labs |
![]() 8-bit Microcontrollers (MCU) 32KB 12ADC |
![]() Data Sheet |
![]()
|
|
||||||||||||
![]() |
![]() C8051F000-GQR |
![]() Silicon Labs |
![]() 8-bit Microcontrollers (MCU) 32KB 12ADC 64Pin MCU Tape and Reel |
![]() Data Sheet |
![]()
|
|
||||||||||||
![]() |
![]() C8051F000R |
![]() Silicon Labs |
![]() 8-bit Microcontrollers (MCU) C 12Bit 64Pin |
![]() Data Sheet |
![]() Negotiable |
|
||||||||||||
![]() |
![]() C8051F000TB |
![]() Silicon Labs |
![]() Development Boards & Kits - 8051 USE 634-C8051F005TB |
![]() Data Sheet |
![]() Negotiable |
|
||||||||||||
(Hong Kong)











