Product Summary
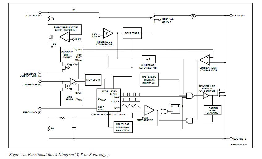
The TOP243YN is an Integrated Off-line Switcher. It uses the same proven topology as TOPSwitch, cost effectively integrating the high voltage power MOSFET, PWM control, fault protection and other control circuitry onto a single CMOS chip. Many new functions of the TOP243YN are integrated to reduce system cost and improve design flexibility, performance and energy efficiency. Depending on package type, either 1 or 3 additional pins over the TOP243YN standard DRAIN, SOURCE and CONTROL terminals allow the following functions: line sensing (OV/UV, line feed-forward/DCMAX reduction), accurate externally set current limit, remote ON/OFF, synchronization to an external lower frequency, and frequency selection (132 kHz/66 kHz).
Parametrics
TOP243YN absolute maximum ratings: (1)DRAIN Voltage: -0.3 V to 700 V; (2)CONTROL Voltage: -0.3 V to 9 V; (3)CONTROL Current: 100 mA; (4)LINE SENSE Pin Voltage: -0.3 V to 9 V; (5)CURRENT LIMIT Pin Voltage: -0.3 V to 4.5 V; (6)MULTI-FUNCTION Pin Voltage: - 0.3 V to 9 V; (7)FREQUENCY Pin Voltage: -0.3 V to 9 V; (8)Storage Temperature: -65℃ to 150℃; (9)Operating Junction Temperature: -40℃ to 150℃; (10)Lead Temperature: 260℃.
Features
TOP243YN features: (1)Extended power range for higher power applications; (2)No heatsink required up to 34 W using P package; (3)Features eliminate or reduce cost of external components ; (4)Fully integrated soft-start for minimum stress/overshoot; (5)Externally programmable accurate current limit ; (6)Wider duty cycle for more power, smaller input capacitor; (7)Separate line sense and current limit pins on Y/R/F packages; (8)Line under-voltage (UV) detection: no turn off glitches; (9)Line overvoltage (OV) shutdown extends line surge limit; (10)Line feed-forward with maximum duty cycle (DCMAX) reduction rejects line ripple and limits DCMAX at high line ; (11)Frequency jittering reduces EMI and EMI filtering costs; (12)Regulates to zero load without dummy loading; (13)132 kHz frequency reduces transformer/power supply size; (14)Half frequency option in Y/R/F packages for video applications; (15)Hysteretic thermal shutdown for automatic fault recovery; (16)Large thermal hysteresis prevents PC board overheating.
Diagrams

| Image | Part No | Mfg | Description | ![]() |
Pricing (USD) |
Quantity | ||||||||||||
|---|---|---|---|---|---|---|---|---|---|---|---|---|---|---|---|---|---|---|
![]() |
![]() TOP243YN |
![]() Power Integrations |
![]() AC/DC Switching Converters 30W 85-265 VAC 45W 230 VAC |
![]() Data Sheet |
![]()
|
|
||||||||||||
| Image | Part No | Mfg | Description | ![]() |
Pricing (USD) |
Quantity | ||||||||||||
![]() |
![]() TOP200-14 |
![]() Other |
![]() |
![]() Data Sheet |
![]() Negotiable |
|
||||||||||||
![]() |
![]() TOP200-4 |
![]() Other |
![]() |
![]() Data Sheet |
![]() Negotiable |
|
||||||||||||
![]() |
![]() TOP200YAI |
![]() Power Integrations |
![]() AC/DC Switching Converters 5-12W 85-265 VAC 10-25W100/115/230VAC |
![]() Data Sheet |
![]() Negotiable |
|
||||||||||||
![]() |
![]() TOP200YN |
![]() Power Integrations |
![]() AC/DC Switching Converters 5-12W 85-265 VAC 10-25W100/115/230VAC |
![]() Data Sheet |
![]() Negotiable |
|
||||||||||||
![]() |
![]() TOP201YAI |
![]() Power Integrations |
![]() AC/DC Switching Converters 0-22W 85-265 VAC 20-45W100/115/230VAC |
![]() Data Sheet |
![]() Negotiable |
|
||||||||||||
![]() |
![]() TOP201YN |
![]() Power Integrations |
![]() AC/DC Switching Converters 0-22W 85-265 VAC 20-45W100/115/230VAC |
![]() Data Sheet |
![]() Negotiable |
|
||||||||||||
(Hong Kong)










